双五星
一种带有转矩定向分配功能的电动差速器
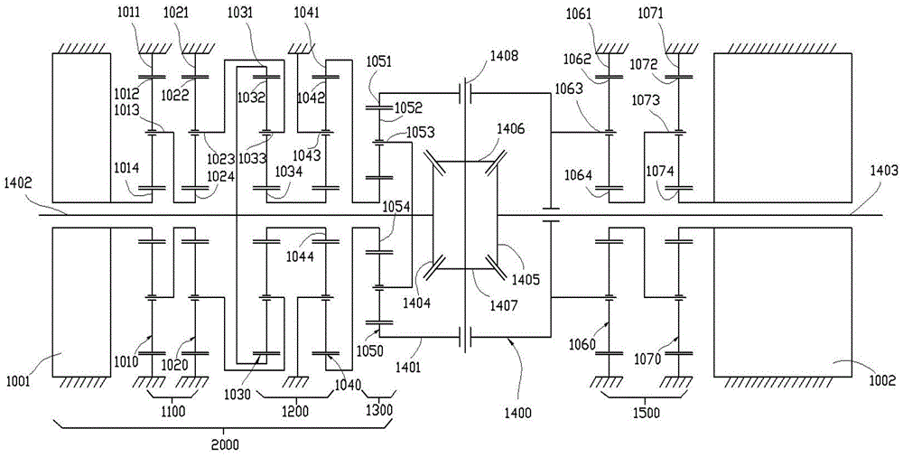
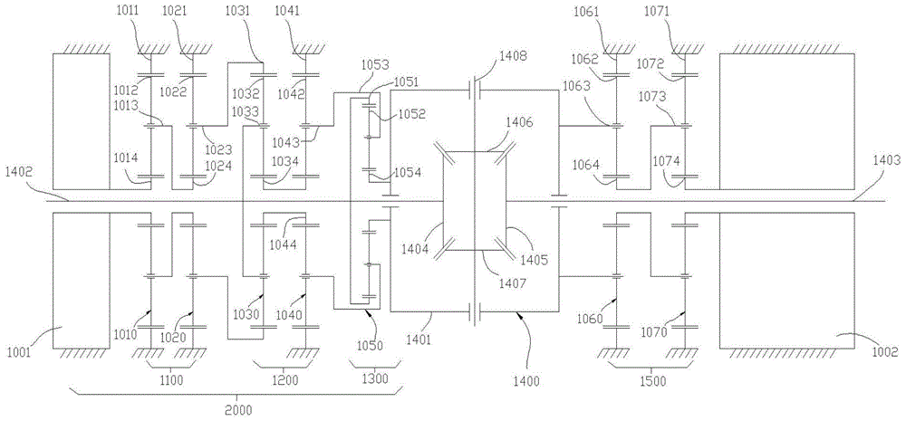
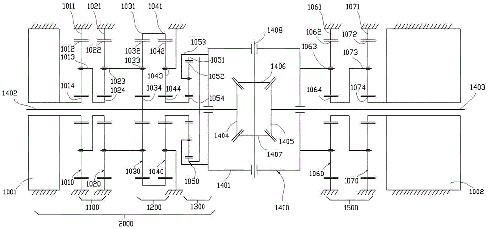
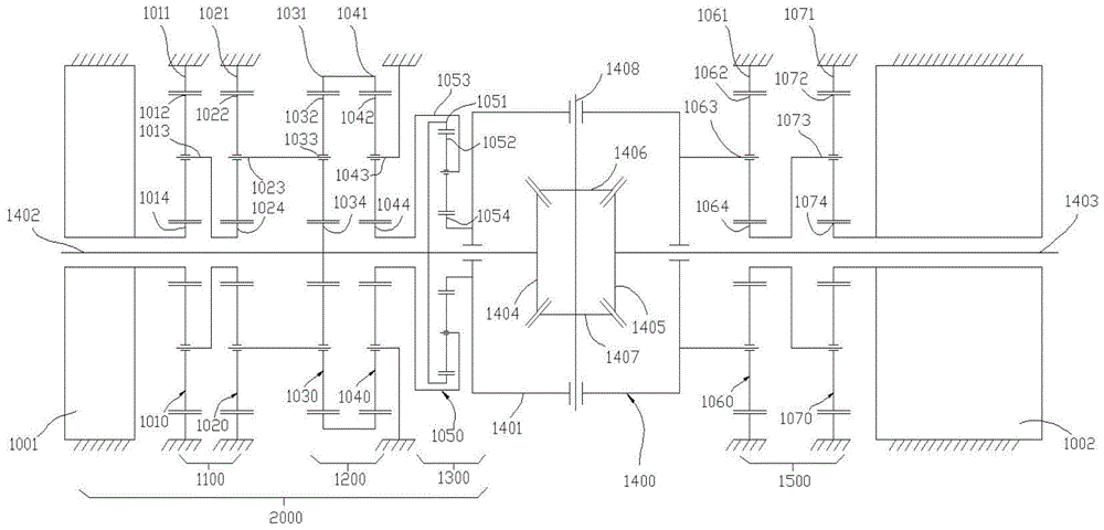
本发明公开了一种带有转矩定向分配功能的电动差速器,包括:主驱动机构;锥齿轮差速器;TV控制驱动机构,用于输出控制动力;第一单排行星齿轮系,第一太阳轮由轴承支撑在第一半轴上,第一齿圈与第一半轴同轴固定连接,第一行星架与控制输出端连接;第二单排行星齿轮系,第二行星架定在驱动桥壳上,第二太阳轮与第一太阳轮固定连接;第二太阳轮由轴承支撑在第一半轴上;第三单排行星齿轮系,第三太阳轮与差速器壳固定连接,第三行星架与第二内齿圈固定连接,第三齿圈与第一半轴固定连接;其中,第二单排行星齿轮系与第一单排行星齿轮系具有相同特征参数。本发明使得汽车的驱动转矩可以按照控制逻辑的控制需求定向的分配到左右两侧车轮。
吉林大学
授权发明