双五星
一种圆盘式多通道光学检测系统
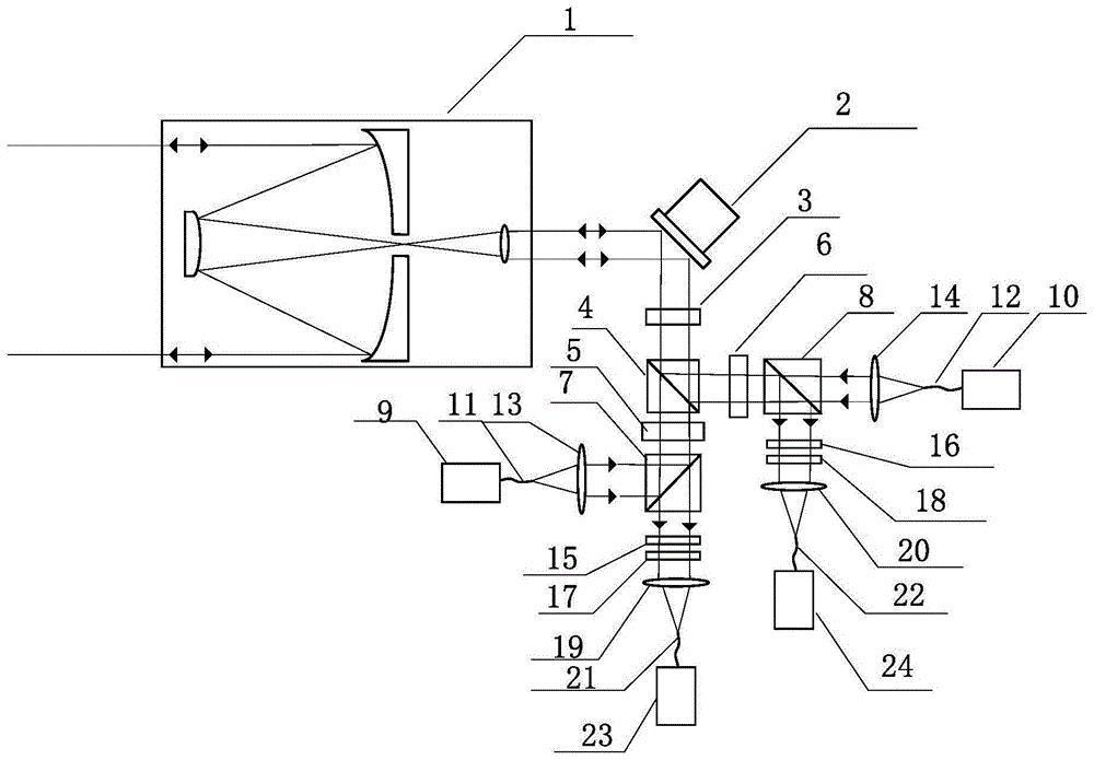
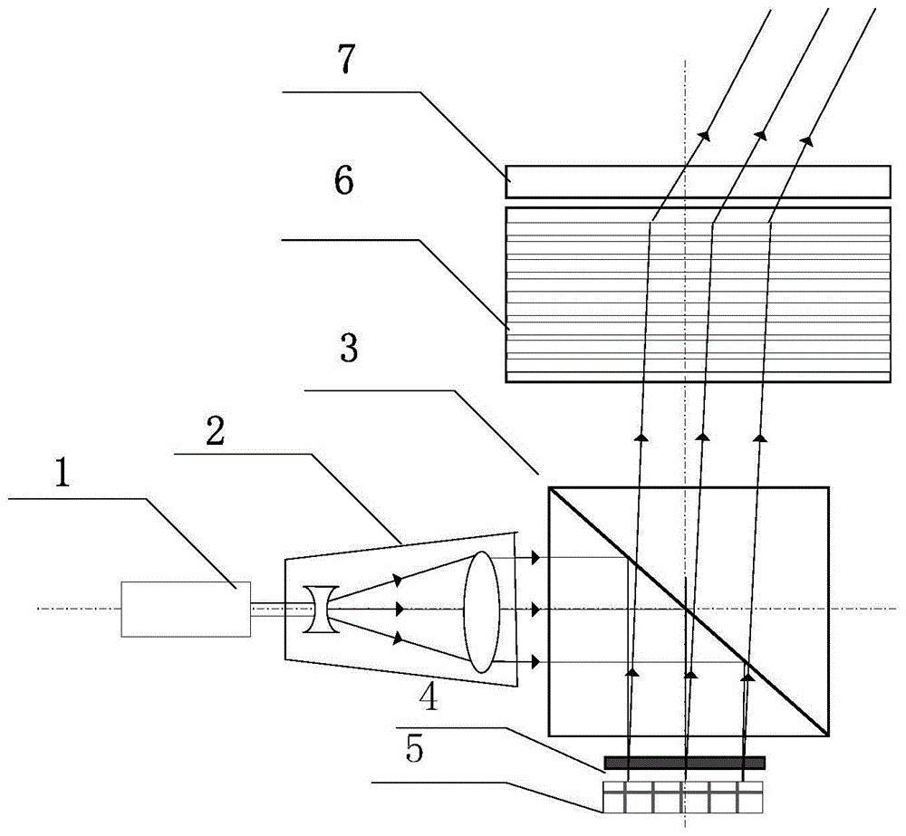
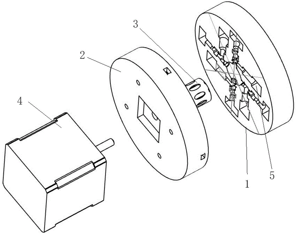
一种圆盘式多通道光学检测系统,属于荧光检测设备技术领域。本实用新型解决了现有的多通道荧光检测装置存在的多个荧光检测通道之间的切换操作较为繁琐以及易出现荧光串扰的问题。上盘与下盘对接形成多个独立的荧光检测通道,进样转轮同时穿装在上盘及下盘内,电机输出轴与进样转轮同轴固接,多个荧光检测通道沿进样转轮周向布置,进样转轮上开设有若干试管槽及若干检测孔,若干检测孔与若干试管槽的侧壁对应连通。通过电机直接控制进样转轮转动,进而直接控制装有样本的试管槽进行位置移动,省去复杂的传动组件,节省了空间和成本;不必频繁调整光学元件位置,有效简化了不同荧光检测通道对不同待测样本的荧光检测,进一步提高了检测效率。
长春理工大学
实用新型