材料化工
物联网节点供能的双射流口射流激励的扭转式压电发电装置
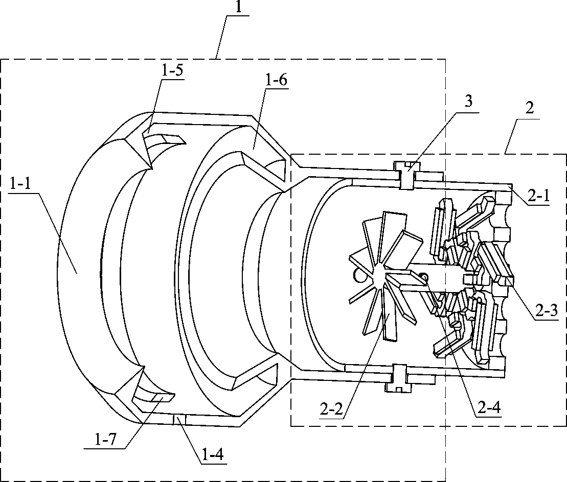
本发明公开了一种物联网节点供能的双射流口射流激励的扭转式压电发电装置,以解决当前压电发电装置在高压气体直接冲击压电发电装置俘获电能时存在俘能功率小、效率低等技术问题。本发明由阶梯式微孔隙增流装置、扭转式发电机组件和紧定螺钉三部分组成。阶梯式微孔隙增流装置增大小流量高压气体的流量,并通过扭转式发电机组件实现能量俘获。本发明具有气体流量放大功能,并对放大流量的气体进行压电能量收集,显著提高压电发电装置的功率,提升俘能效率3倍以上,通过全桥整流电路可以持续有效的为低功耗电子设备供能,在物联网节点、低功耗电子设备以及低功耗传感器供能技术领域具有广泛的应用前景。
长春工业大学
授权发明